蔡强 深耕集成电路设计领域的探索者与创新者
成功率和可靠性驱动的纳米尺度集成电路设计方法学
模拟CMOS集成电路设计的核心要义与实践路径
一文读懂集成电路产业版图设计过程 从电路到晶圆的精密蓝图
CN3302 PFM升压型双节电池充电控制集成电路 外置MOS管设计与应用解析
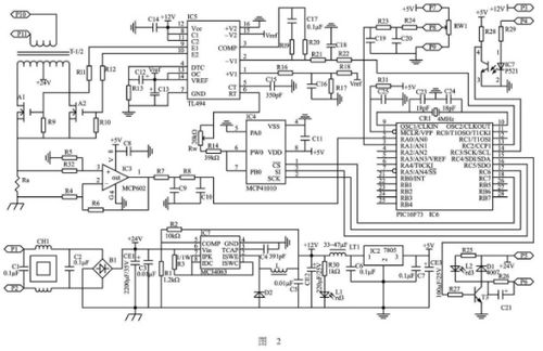
混合集成电路DC-DC变换器的设计与应用
基于数字集成电路技术的LCD数码显示器设计与实现
CMOS开关电路设计 从理论到实践的论坛交流热点
集成电路设计基础全攻略 从概念到实现的探索之路
深圳发布集成电路设计专项资助计划,最高资助额达3000万元
芯片股集体狂欢 是自信还是自恋?——集成电路设计热潮下的冷思考
苏试与您相约2021未来汽车技术展暨成渝汽车供应链博览会 共探汽车集成电路设计新机遇
安徽向新︱“灯塔工厂”如何点亮“安徽工业第一区”的集成电路设计产业
七月流火,芯光璀璨 乾鸿微电子暑期集成电路设计实践纪行
STK系列音响厚膜集成电路的设计原理与技术特点
美禁令下全球科技供应链震荡 ARM断供华为,日本运营商延期发售P30
集成电路概念股全景解析 设计领域领航,产业爆发在即
合洁科技电子洁净工程 集成电路洁净车间设计建设规范全解析
集成电路的诞生与设计 从思想萌芽到纳米世界的攀登
集成电路布图设计专有权侵权案件常见问题剖析
如若转载,请注明出处:http://www.yehongjy.com/product/list-2.html